
Li-Fi Communications
Secure, High-Speed, RF-Free Connectivity
QualIMT Systems is building next-generation optical wireless communication solutions based on IEEE 802.11bb, the world’s first global standard for Li-Fi.
Our focus is on designing, prototyping, and validating Li-Fi systems that complement and extend traditional RF-based wireless networks for defence, aerospace, industrial, and smart infrastructure applications.
Our Vision for Li-Fi
QualIMT envisions Li-Fi as a core pillar of future wireless systems, working alongside RF to deliver:
Higher capacity
Better security
Greater spectrum efficiency
Mission-ready reliability
We are actively building Li-Fi reference platforms and link models that can evolve into deployable products and defence-grade solutions.
What We Offer
802.11bb-Based Li-Fi System Design
We design end-to-end Li-Fi communication architectures aligned with IEEE 802.11bb, covering:
Optical PHY layer modelling and waveform design
MAC-layer integration compatible with Wi-Fi ecosystems
Link budgeting, channel modelling, and BER performance analysis
System-level trade-offs between throughput, latency, and robustness
Our approach ensures standards-compliant, interoperable, and scalable Li-Fi deployments.
Li-Fi PHY & Modem Development
QualIMT specializes in physical-layer centric innovation, including:
Optical modulation and demodulation techniques
Adaptive data-rate and coding strategies
Impairment modelling (ambient light noise, multipath reflections, alignment loss)
MATLAB-based reference models and FPGA-ready algorithm design
These models serve as a foundation for silicon, FPGA, or SDR-based Li-Fi modems.
Hybrid RF–Li-Fi Networking
Li-Fi is not a replacement for RF — it is a powerful complement.
We enable:
Hybrid RF + Li-Fi architectures for resilient communications
Seamless traffic steering between RF and optical links
RF offloading in spectrum-congested or EMI-sensitive environments
Coexistence strategies for Wi-Fi, Li-Fi, and private wireless systems
This makes our solutions ideal for mission-critical and high-density environments.
Secure Optical Wireless Links
Li-Fi inherently offers physical-layer security advantages because light is spatially confined.
QualIMT enhances this with:
Secure association and authentication mechanisms
Encryption and key-management aligned with 802.11 security frameworks
Controlled optical coverage zones for classified or sensitive facilities
These capabilities are especially relevant for defence labs, command centers, and secure industrial zones.
Li-Fi
Light Fidelity, Li-Fi is a wireless optical networking technology that uses light-emitting diodes (LEDs) for data transmission. First introduced in 2011 by Harald Haas during a TED conference. In terms of its end user, the technology is like Wi-Fi but uses the modulation of light intensity to transmit data. Wi-Fi utilizes radio waves, whereas Li-Fi uses visible, ultraviolet, and infrared light
802.11bb
IEEE 802.11 Light Communications Task Group.
IEEE 802.11bb is a line-of-sight light-based wireless networking standard, which defines an interoperable communications protocol for Li-Fi.
Defined spectrum range: 800 to 1000 nm waveband (300 THz - 375 THz).
Data rates between 10 Mbit/s and 9.6 Gbit/s.






Li-Fi Transmitter (TX) – High-Level Flow
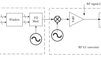
In the Li-Fi transmitter, digital data is encoded and mapped to optical modulation symbols and converted into a time-domain waveform using multicarrier processing. Guard intervals and windowing are applied to improve robustness against optical channel effects. The signal is then I/Q modulated, DC-biased for intensity modulation, and fed to the optical front end, where information is transmitted using controlled light intensity.
Li-Fi Receiver (RX) – High-Level Flow
At the receiver, the optical front end converts incoming light variations into an electrical signal, which is conditioned and down-converted to baseband. Multicarrier demodulation, symbol de-mapping, and error-correction decoding are applied to reliably recover the transmitted data. The architecture is optimized for secure, high-throughput optical wireless communication aligned with IEEE 802.11bb principles
EMAIL - info@qualimt.com
+91-7893050826
© 2025. All rights reserved.